HWH Engineering

HWH Engineering

Gesellschaft für Anlagen-, Energie- und Umwelttechnik mbH

Energieberater • Architekt / Planer aus Iphofen

Beschreibung

Ingenieurbüro für Energie und Umweltfragen
Wir planen für:
Kommunen, Stadtwerke, Energieversorgungs- und Industrieunternehmen
Unsere Hauptschwerpunkte sind,
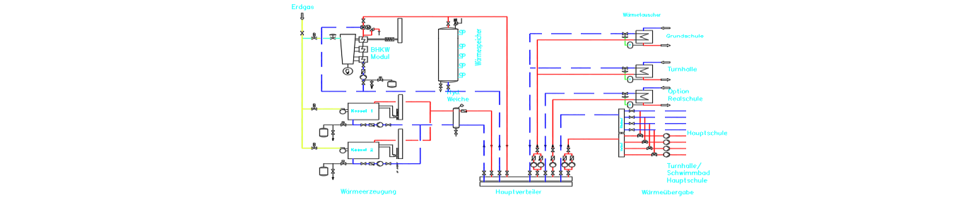
· Energieversorgungskonzepte (>200 kW)
· Optimierung von Wärmeerzeugungsanlagen, Anlagenhydraulik
· Heizzentralen mit Pufferspeicher, BHKW- und Spitzenkessel-Anlagen
· Fern- und Nahwärmesysteme (Trassen und Übergabestationen)
· Optimierung von Wärmeerzeugungsanlagen
· Wärmerückgewinnungsanlagen

Dienstleistungen

Beratungsdienstleistungen Energieberatung Wirtschaftlichkeitsbetrachtung Heizlast Planungsdienstleistungen Sanierung Planung v. Sanitär, Heizung, Klima Bauleitung v. Sanitär, Heizung, Klima Projektsteuerung CAD-Konstrukteur/in Energiekonzeption Baubetreuung Beratung für Nichtwohngebäude Baubegleitung Programmierung MRS/SPS/KNX Planung Abwärmenutzung u. WRG Planung Fernwärme-Versorgung Planung Heizzentrale Planung BHKW-Anlagen Planung Fernwärme-Netze

Qualifikationen

n.a.
Nein
n.a.

Kontakt